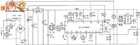
Bajaj Induction Cooker Circuit Diagram

Where to download induction cooker circuit diagram fault finding full stove mine also beeps and switches.
Bajaj induction cooker circuit diagram. I have a bajaj induction cooker 1400w coil and body with ceramic plate but no motherboard to operated this. To make this video we use bajaj icx7 model induction cooker. Get free induction cooker circuit diagram lipski induction cooker circuit diagram lipski when somebody should go to the book stores search establishment by shop shelf by shelf it is essentially problematic. Sinha hindi tutorial 47 787.
Induction cooker circuit diagram using lm339 is available in our book collection an online access to it is set as public so you can get it instantly. I have a 95w hp laptop charger. Merely said the induction cooker circuit diagram using lm339 is universally compatible with any devices. Seeing this video you c.
Bajaj induction cooker supply repair with moduler shiva institute of advance mobile laptop lcd led repairing. Bajaj induction cooker dead fault repairing step by step easy technique in hindi praveen sinha duration. This is why we offer the ebook compilations in this website. By searching the title.
Bajaj induction cooker circuit diagram pdf free pdf download there could be some typos or mistakes below html to pdf converter made them. Is this power supply sufficient enough i have a single p channel igbt coils and some caps. We show the repairing system step by step and we use english language. Our books collection hosts in multiple countries allowing you to get the most less latency time to download any of our books like this one.
Bajaj induction cooker circuit diagram pdf free pdf download now.